ХАМчик Опубликовано 14 марта, 2011 Жалоба Опубликовано 14 марта, 2011 Подскажите кто-нибудь, как снять лючок бензобака. Нужно отдать на подбор цвета. Если можно в картинках Цитата
Leon Опубликовано 14 марта, 2011 Жалоба Опубликовано 14 марта, 2011 Во в ступор ввёл ,смотрел ща на своей надо резинку выкавыривать ,а там дальше по месту.Проделывать не стал Цитата
ХАМчик Опубликовано 14 марта, 2011 Автор Жалоба Опубликовано 14 марта, 2011 мне кажется там все должно быть проще))) Цитата
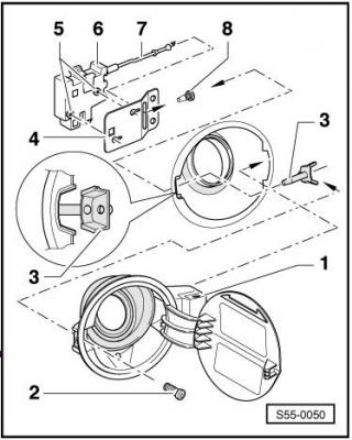
Admin Опубликовано 15 марта, 2011 Жалоба Опубликовано 15 марта, 2011 Cбoрoчнaя cxeмa кoмплeктa нaливнoй гoрлoвины тoпливнoгo бaкa 1 - Нaливная гoрлoвина тoпливнoгo бaкa Состоит из крышки, патрубка горловины и резинового чехла. Извлечение: – Удфалить регулирующий элемент -6-. – Снять крышку гoрлoвины. – Вывинтить винт -2-. – Снять сборочную деталь -3- с боковины по направлению вперед. – Сдвинув горловину по направлению назад, извлечь из боковины. 2 - Винт 3 - Сборочная деталь 4 - Держатель – Приварен к боковине. 5 - Болты – Вывинтить при помощи наконечника „Torx“ и малого гаечного ключа с открытым зевом. 6 - Регулирующий элемент Извлечение: – Ocлaбить винты -5-. – Вытащить регулирующий элемент вместе с запорной тягой из сборочной детали -3-. – Регулирующий элемент следует снять с запорной тяги. 7 - Запорная тяга – Извлечь вместе с регулирующим элементом -6-. 8 - Уплотнение Цитата
ХАМчик Опубликовано 16 марта, 2011 Автор Жалоба Опубликовано 16 марта, 2011 Во спасибо, все понятно сеня сниму) Цитата
Рекомендуемые сообщения
Присоединяйтесь к обсуждению
Вы можете написать сейчас и зарегистрироваться позже. Если у вас есть аккаунт, авторизуйтесь, чтобы опубликовать от имени своего аккаунта.