Рекомендуемые сообщения

Опубликовано (изменено)

Заметил после нового года антифриз начал уходить, в полторы недели доливал гдето по 100 грам, уходит не в масло, под машиной на снегу чисто, в движке тоже чисто, движок мыл следов нету, вобщем расход может быть? и куда может уходить?, подскажите кто знает? читал всякую всячину:) кто пишет датчик включения вентилятора и датчик температуры кто из под термоса вообщем непонятно:yahoo:

Изменено пользователем роман
Опубликовано

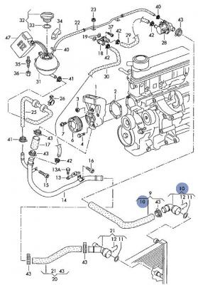
Запах антифриза есть? Надо смотреть, очень часто уплотнительное кольцо стирается!(те что под номером 11) Вот схема:

post-1-088491900 1295876926_thumb.jpg

Опубликовано

Запах антифриза есть? Надо смотреть, очень часто уплотнительное кольцо стирается!(те что под номером 11) Вот схема:

( 11 номер) это где слив антифриза? по запаху незнаю приболел, не чувствую а может и нету,,,
  • 8 месяцев спустя...
Опубликовано

тут тоже все решил,поменял трубку металическую снизу радиатора,бачок,термостат,датчик включения вентилятора,датчик температуры. И все стало гуд!

Присоединяйтесь к обсуждению

Вы можете написать сейчас и зарегистрироваться позже. Если у вас есть аккаунт, авторизуйтесь, чтобы опубликовать от имени своего аккаунта.

Гость
Ответить в этой теме...

×   Вставлено с форматированием.   Вставить как обычный текст

  Разрешено использовать не более 75 эмодзи.

×   Ваша ссылка была автоматически встроена.   Отображать как обычную ссылку

×   Ваш предыдущий контент был восстановлен.   Очистить редактор

×   Вы не можете вставлять изображения напрямую. Загружайте или вставляйте изображения по ссылке.

Загрузка...